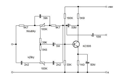
Aktivní korektor
Vysoké a nízké frekvence jsou řízeny odděleně pomocí dvou stejných lineárních potenciometrů. Ty jsou součástí frekvenčně závislé záporně zpětné vazby, vedené z kolektoru tranzistoru do báze.
Podmínkou pro správnou činnost kolektoru je, aby byl napájen ze zdroje signálového napětí o vnitřním odporu menším než 600Ω. Zatěžovací odpor je 10KΩ. Zesílení celého korektoru je na frekvenci 1KHz 0,9 při vstupním odporu 40KΩ a výstupním 180Ω.
Při nastavené rovné frekvenční charakteristice nastává pokles o 2dB na krajích pásma 20Hz až 20KHz. Na frekvencích 100Hz a 10KHz lze nastavit průběh napěťového zesílení v mezích ±15dB. Zkreslení na frekvenci 1KHz je při výstupním napětí 0,25V méně než 0,1%, při 1V méně 0,3% a při 2V méně než 0,6%. Proudový odběr ze zdroje o napětí 18V je 2mA.
Schéma:
