Návrh předřadníku pro budoucí voltmetr
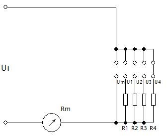
Paralerní (vedle sebe)
Výpočet předřadných odporů: R1=(U1-Um)/Im R2=(U2-Um)/Im R3=(U3-Um)/Im R4=(U4-Um)/Im Ostatní vzorečky: Um=U1-(R1*Im) Um=U2-(R2*Im) Um=U3-(R3*Im) Um=U4-(R4*Im) U1=(R1*Im)+Um U2=(R2*Im)+Um U3=(R3*Im)+Um U4=(R4*Im)+Um Im=(U1-Um)/R1 Im=(U2-Um)/R2 Im=(U3-Um)/R3 Im=(U4-Um)/R4 Vysvětlivky: Um-napětí měřidla Im-proud měřidla U1, U2…-napětí rozsahu R1, R2…-předřadný odpor Napětí rozsahu si můžete určit a poté vypočítat jaký potřebujete předřadný odpor, a i naopak si můžete určit předřadný odpor a vypočítat jaký bude rozsah voltmetru. Pak stačí si udělat jen stupnici cejchováním jiným voltmetrem s co nejmenší tolerancí, který seženete, nebo vlastníte. Sériový (za sebou) Výpočet předřadných odporů: R1=(U1-Um)/Im R2=[(U2-Um)/Im]-R1 R3=[(U3-Um)/Im]-(R1+R2) R4=[(U4-Um)/Im]-(R1+R2+R3) Ostatní vzorečky: Um=U1-(R1*Im) Um=U2-[(R2+R1)*Im] Um=U3-[(R3+R2+R1)*Im] Um=U3-[(R4+R3+R2+R1)*Im] U1=(R1*Im)+Um U2=[(R2+R1)*Im]+Um U3=[(R3+R2+R1)*Im]+Um U4=[(R4+R3+R2+R1)*Im]+Um Im=(U1-Um)/R1 Im=(U2-Um)/(R2+R1) Im=(U3-Um)/(R3+R2+R1) Im=(U4-Um)/(R4+R3+R2+R1) Vysvětlivky: Um-napětí měřidla Im-proud měřidla Rm=odpor měřidla R1, R2…=předřadný odpor U1, U2…=napěťový rozsah To samé, napětí rozsahu si můžete určit a poté vypočítat jaký potřebujete předřadný odpor, a i naopak si můžete určit předřadný odpor a vypočítat jaký bude rozsah voltmetru. Pak stačí si udělat jen stupnici cejchováním jiným voltmetrem s co nejmenší tolerancí, který seženete, nebo vlastníte. 
