Zkoušečka obrazců plošných spojů
Celistvost (přerušení) spojových cest desky s plošnými spoji je samozřejmě možné a vhodné zkontrolovat třeba nejobyčejnějším “zkratoměrem“ –žárovkou a baterií. Ti zkušenější používají ohmmetr, přepnutý na nejnižší rozsah. Důkladné ověření plošných spojů ocení ti, kteří mají své zkušenosti s vlasovým, okem téměř nebo zcela nepostřehnutelným přerušením spojové cesty. Tato zkoušečka měří do 1Ω, veškeré spoje nad 1Ω dioda buď nesvítí nebo svítí nepatrně v tomto případě je odpor kolem 1,2Ω. Přístroj se napájí dvěma 9V baterkami k sobě spojených.
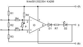
Nastavení citlivosti: připojte baterie a odporový trimr P nastavte tak, aby byl jeho běžec v levé krajní poloze. Zkratujte měřící hroty a zvolna otáčejte trimrem. V okamžiku, kdy se rozsvítí dioda, je přístroj nastaven. Zapojení nemá žádné záludnosti a měl by pracovat na první zapojení.
Seznam součástek:
R1, R3- 22KΩ
R2- 10KΩ
R4, R5- 1KΩ
R6- 470kΩ
R7- 470Ω
P- 10KΩ
IO- MAA501,502,504
D1- KA206,207,261
Schéma:
