Hledač kovových předmětů
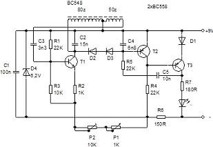
Funkce je velice jednoduchá. První tranzistor je zapojen jako oscilátor. Potenciometry P1 a P2 se nastaví do bodu, kdy přestane kmitat. Dostane-li se do blízkosti cívky kovový předmět, tato stabilita se poruší a oscilátor se rozkmitá. Výstupní signál oscilátoru se po usměrnění přivádí na T2 s přímou vazbou na T3 – oba se otevřou a dioda D5 se rozsvítí. Trimrem P2 se hrubě nastaví bod, kdy oscilátor „vysadí“ a potenciometrem P1 se potom částečně doladí do místa, kdy oscilátor zrovna přestane kmitat. Zenerova dioda D4 zajišťuje stabilní funkci při poklesu napětí baterie, např. KZZ 71 má Zenerovo napětí 6,7V, lze ji také použít. Jako napájení je použita 9V baterie. Jelikož obvod má minimální odběr a nepředpokládá se jeho časté používání, není potřeba ani vypínač a baterie se připojuje vždy před použitím. Navíc, kdyby se hledač delší dobu nepoužíval, baterie by se v něm vybila sama. Cívka má
Dosah tohoto hledače je asi 10 až
Schéma:

dik
(tomas, 6. 1. 2011 22:52)